• 620062, г. Екатеринбург, ул. Генеральская д.3, оф.313

Пробоотборник для нефтепродуктов и нефти

Пробоотборник

Пробоотборник с автоматическим или ручным управлением «Отбор-А-Рслив»

Предназначен для отбора регулируемого объема точечных проб нефти или нефтепродуктов из трубопровода, согласно ГОСТ 2517-85. Методы отбора проб в пробоприемник по программе, задаваемой электронным блоком управления, происходит согласно п.2.13.2.3. ГОСТ 2517-85.

Информация

Пробоотборники делятся на два типа по принципу отбора - фланцевого и зондового типа . Их возможно устанавливать на трубопроводах на открытых площадках, под навесом, в блок-боксах (узлы учета нефти, СИКН и т.д.), также можно устанавливать в обогреваемых шкафах.

Пробоотборник
Пробоотборник зондового типа
Шкафного исполнения
Шкафного исполнения
Характеристики отбираемой рабочей среды

Рабочий диапазон температуры

от физ-хим состава жидкости до +1500С

Плотность нефти

700-999 кг/м3

Вязкость кинематическая при t 200С

до 188 мм2

Массовая доля воды

до 99,9%

Массовая доля мех. примесей

не более 0,34%

Концентрация хлористых солей

до 100 000 мг/дм3

Массовая доля серы

не более 5,2%

Массовая доля парафина

не более 9,0%

Массовая доля смол

не более 22,0%

Содержание сероводорода

не более 0,2%

Технологические режимы

Рабочее давление

0,25 - 6,3 Мпа

Диаметр условного прохода

от 50мм

Объем дозы дозатора

1 - 12см3

Геометрические размеры

Строительная длина (диспергатор)

от 220 мм

Масса

не более 30 кг

Напряжение 140-220В
Потребляемая мощность 440Вт
Условия эксплуатации
Температура окружающей среды -50..+50 0С
Влажность окружающей среды до 99%

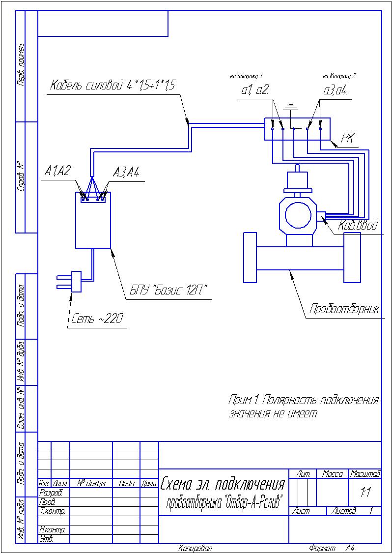
Схема эл. подключений

Пробоотборник «Отбор А/Р слив» устанавливается в блоке качества системы измерения количества и качества (СИКН) для последующего определения физико-химических показателей нефти и нефтепродуктов аналитическим путем в лаборатории.

Устройство и принцип работы пробоотборника «Отбор А/Р слив»