
Отстойники нефти горизонтальные с перегородками на условные давления 1,0; 1,6; 2,5 МПа и температуры от минус 600С до 1000С, предназначены для обезвоживания нефти с сепарацией оставшегося в нефтяной эмульсии газа, используются при подготовке нефти и воды на нефтепромыслах и нефтеперерабатывающих предприятиях.
Отстойники предназначены для эксплуатации в макроклиматических районах II5 и II4 по ГОСТ 16350 в условиях умеренного и умеренно холодного климата по ГОСТ 15150 с температурой воздуха при эксплуатации:
- для умеренного климата от + 400С до минус 400С
- для умеренно холодного климата от +400С до минус 600С.
Климатическое исполнение отстойников У и УХЛ категории размещения 1 по ГОСТ 15150 с установкой на открытом воздухе.
Отстойники предназначены для эксплуатации в районах с сейсмичностью до 8 баллов включительно. Возможность эксплуатации отстойников в районах с сейсмичностью свыше 8 баллов определяется расчетом на сейсмичность по СНиП II-7-81 (с учетом конкретного типоразмера).
Класс опасности рабочих сред 3,4 по ГОСТ 12.1.007
При содержании в составе среды сероводорода с парциальным давлением более 0,0003 МПа требования к изготовлению отстойников должны соответствовать РД 26-02-63-87.
Примеры условного обозначения отстойников при заказе и в других документах:
Отстойник горизонтальный нефти (ОГН) с перегородками (П) объемом 200 м3 на условное давление 1,0 МПа, материального исполнения 1:
ОГН-П-200-1,0-1
Тот же отстойник, подлежащий теплоизоляции:
ОГН-П-200-1,0-1-И.

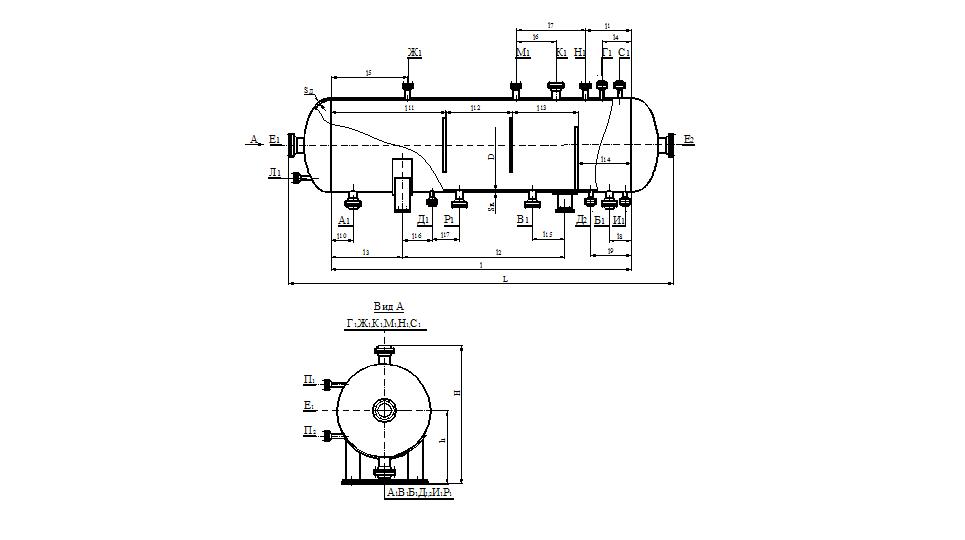
Основные параметры и размеры
|
Объем, м3 |
25 |
50 |
100 |
200 |
|
|
Производительность по жидкости, м3/сут. |
2000 |
4000 |
7500 |
15000 |
|
|
Давление условное, МПа (кгс/см2) |
1.0(10) |
1.0(10) |
1.0(10) |
1.0(10) |
|
|
Двн |
2400 |
2400 |
3000 |
3400 |
|
|
Материальное исполнение |
Sk |
10 |
10 |
12 |
12 |
|
Sq |
10 |
10 |
14 |
16 |
|
|
S |
6 |
6 |
8 |
8 |
|
|
L |
6285 |
11485 |
14385 |
22090 |
|
|
l |
4500 |
9700 |
12300 |
19800 |
|
|
l1 |
600 |
1200 |
1500 |
2500 |
|
|
l2 |
2700 |
6700 |
8000 |
13000 |
|
|
l3 |
850 |
1500 |
2150 |
3400 |
|
|
l4 |
350 |
500 |
700 |
1000 |
|
|
l5 |
1750 |
2750 |
2750 |
2750 |
|
|
l6 |
600 |
1250 |
1500 |
2500 |
|
|
l7 |
1200 |
2500 |
3000 |
5000 |
|
|
l8 |
300 |
400 |
500 |
500 |
|
|
l9 |
500 |
800 |
1000 |
1000 |
|
|
l10 |
300 |
600 |
900 |
900 |
|
|
l11 |
1125 |
2425 |
3075 |
4950 |
|
|
l12 |
1125 |
2425 |
3075 |
4950 |
|
|
l13 |
1125 |
2425 |
3075 |
4950 |
|
|
l14 |
1125 |
2425 |
3075 |
4950 |
|
|
l115 |
475 |
1125 |
1125 |
1750 |
|
|
l116 |
600 |
2000 |
2000 |
2000 |
|
|
l17 |
400 |
800 |
1000 |
1000 |
|
|
Масса, кг |
5513 |
8741 |
16044 |
26629 |
|
Расчетное давление отстойников
|
Температура |
Материальное |
Давление условное, МПа (кгс/см2) |
||
|
1,0(10) |
1,6(16) |
2,5 (25) |
||
|
Давление расчет./рабочее, МПа (кгс/см2) |
||||
|
20 |
1,2,3 |
1,0(10) |
1,6 (16) |
2,5 (25) |
|
100 |
1,2,3 |
0,9 (9,0) |
1,44 (14,4) |
2,26 (22,6) |
Назначение и условные проходы штуцеров
|
Обозначение |
Наименование |
Объем аппаратов, м3 |
|||
|
25 |
50 |
100 |
200 |
||
|
Условный проход, мм |
|||||
|
А1 |
Ввод сырья |
150 |
200 |
250 |
300 |
|
Б1 |
Вывод нефти |
150 |
150 |
200 |
200 |
|
В1 |
Вывод воды |
150 |
200 |
250 |
250 |
|
Г1 |
Вывод газа |
150 |
|||
|
Д1,2 |
Дренаж |
150 |
|||
|
Е1,2 |
Люк-газ |
500 |
|||
|
Ж1 |
Для манометра |
50 |
|||
|
И1 |
Для пропарки |
50 |
|||
|
К1 |
Для предохранительного клапана |
150 |
|||
|
Л1 |
Для термометра |
50 |
|||
|
М1 |
Для регулятора раздела фаз |
150 |
|||
|
Н1 |
Для регулятора уровня |
150 |
|||
|
П1,2 |
Для камеры уровнемера |
50 |
|||
|
Р1 |
Люк для зачистки |
250 |
|||
|
С1 |
Для газоуравнительной |
50 |
|||